Podłączenie bezpieczników w skrzynce elektrycznej to ważny proces, który wymaga zachowania szczególnej ostrożności i znajomości podstawowych zasad bezpieczeństwa. Przed przystąpieniem do jakiejkolwiek pracy z instalacją elektryczną, kluczowym krokiem jest wyłączenie głównego zasilania w budynku, co zapewnia bezpieczeństwo podczas wykonywania czynności. Następnie, aby upewnić się, że nie ma napięcia, należy sprawdzić wszystkie obwody przy użyciu profesjonalnego miernika elektrycznego.
W tym artykule przedstawimy krok po kroku, jak prawidłowo podłączyć bezpieczniki w skrzynce elektrycznej, omówimy niezbędne narzędzia oraz schematy, które pomogą zrozumieć układ elektryczny. Dzięki tym informacjom, nawet osoby bez doświadczenia w tej dziedzinie będą mogły z powodzeniem przeprowadzić tę procedurę.
Kluczowe informacje:- Wyłączenie zasilania jest pierwszym krokiem przed pracą z bezpiecznikami.
- Sprawdzenie braku napięcia w obwodach jest niezbędne dla bezpieczeństwa.
- Wybór odpowiednich narzędzi, takich jak miernik elektryczny, jest kluczowy dla prawidłowego podłączenia.
- Znajomość schematu elektrycznego ułatwia zrozumienie, jak działa instalacja.
- Testowanie poprawności podłączenia bezpieczników jest niezbędne przed włączeniem zasilania.
Jak podłączyć bezpieczniki w skrzynce - krok po kroku dla początkujących
Podłączenie bezpieczników w skrzynce elektrycznej to proces, który wymaga precyzyjnego podejścia oraz znajomości zasad bezpieczeństwa. Zanim rozpoczniesz pracę, ważne jest, aby wyłączyć główne zasilanie w swoim domu lub mieszkaniu. Dzięki temu zminimalizujesz ryzyko porażenia prądem. Po wyłączeniu zasilania, należy sprawdzić, czy nie ma napięcia we wszystkich obwodach, korzystając z profesjonalnego miernika elektrycznego.
W kolejnych krokach skoncentrujesz się na wyborze odpowiednich narzędzi oraz przygotowaniu do podłączenia bezpieczników. Pamiętaj, że każdy etap wymaga uwagi i dokładności. Właściwe przygotowanie pozwoli na bezpieczne i skuteczne wykonanie zadania. Nie zapomnij również o zapoznaniu się z instrukcjami producenta przed przystąpieniem do pracy.
Wybór odpowiednich narzędzi do podłączenia bezpieczników
Aby prawidłowo podłączyć bezpieczniki, potrzebujesz kilku podstawowych narzędzi. Każde z nich ma swoje specyficzne zastosowanie, co ułatwi Ci pracę. Śrubokręt jest niezbędny do odkręcania i przykręcania śrub w skrzynce elektrycznej. Obcinacz do przewodów pozwoli na przygotowanie końcówek kabli do podłączenia, a miernik napięcia pomoże upewnić się, że nie ma prądu w obwodach. Użycie tych narzędzi zwiększa bezpieczeństwo i efektywność pracy.
- Śrubokręt - używany do odkręcania i przykręcania śrub w obudowie bezpieczników.
- Obcinacz do przewodów - służy do ściągania izolacji z końców przewodów.
- Miernik napięcia - niezbędny do sprawdzenia, czy w obwodach nie ma napięcia przed rozpoczęciem pracy.
Bezpieczne wyłączanie zasilania przed pracą z bezpiecznikami
Bezpieczeństwo jest kluczowym elementem podczas pracy z bezpiecznikami w skrzynce elektrycznej. Zanim przystąpisz do podłączenia, musisz najpierw wyłączyć główne zasilanie. Aby to zrobić, zlokalizuj główny wyłącznik w swoim domu i przestaw go w pozycję OFF. Ważne jest, aby upewnić się, że zasilanie jest wyłączone, dlatego warto użyć miernika napięcia, aby sprawdzić, czy w obwodach nie ma prądu. Sprawdź każdy obwód, aby mieć pewność, że nie ma napięcia, co zapewni Ci bezpieczeństwo podczas wykonywania prac.
Po wyłączeniu zasilania i upewnieniu się, że nie ma napięcia, możesz przystąpić do dalszych działań związanych z podłączeniem bezpieczników. Pamiętaj, że nieprzestrzeganie tych kroków może prowadzić do niebezpiecznych sytuacji, w tym porażenia prądem. Zawsze traktuj prace elektryczne z najwyższą powagą i nigdy nie lekceważ zasad bezpieczeństwa.
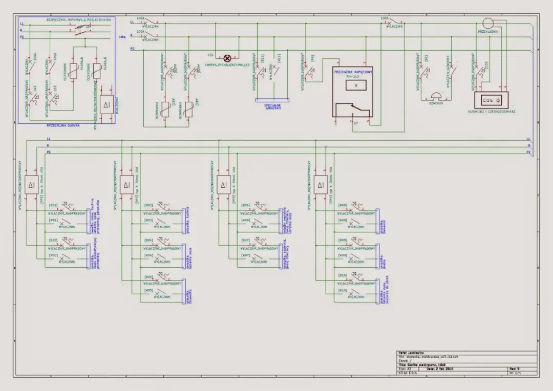
Analiza schematu elektrycznego dla bezpieczników
Rozumienie schematów elektrycznych jest kluczowe dla prawidłowego podłączenia bezpieczników w skrzynce elektrycznej. Schematy te przedstawiają układ obwodów, a także lokalizację poszczególnych komponentów, takich jak bezpieczniki, przewody i gniazda. Aby skutecznie odczytać schemat, zwróć uwagę na symbole używane do reprezentowania różnych elementów. Na przykład, bezpieczniki są zazwyczaj oznaczane prostokątami z oznaczeniem ich wartości, a przewody są przedstawione jako linie łączące te elementy. Zrozumienie tych symboli i ich znaczenia pozwoli Ci lepiej zrozumieć, jak działa instalacja elektryczna.
Różne typy bezpieczników i ich zastosowanie w instalacji
Na rynku dostępne są różne typy bezpieczników, które mają swoje specyficzne zastosowania w instalacjach domowych. Najpopularniejsze z nich to bezpieczniki automatyczne, które resetują się po wyłączeniu obwodu, oraz bezpieczniki topikowe, które wymagają wymiany po przepaleniu. Bezpieczniki różnią się także wartością prądu, co oznacza, że każdy z nich jest przeznaczony do ochrony obwodów o różnych obciążeniach. Ważne jest, aby dobrać odpowiedni typ bezpiecznika do konkretnego obwodu, aby zapewnić bezpieczeństwo oraz prawidłowe działanie instalacji elektrycznej.Krok po kroku - jak podłączyć bezpieczniki w skrzynce
Podłączenie bezpieczników w skrzynce elektrycznej wymaga precyzyjnych działań. Na początku upewnij się, że zasilanie jest wyłączone, a następnie otwórz skrzynkę bezpieczników. Zidentyfikuj odpowiednie miejsce, w którym chcesz zainstalować nowy bezpiecznik. Umieść bezpiecznik w odpowiednim gnieździe, upewniając się, że styki są dobrze dopasowane. Pamiętaj, aby nie używać nadmiernej siły, aby nie uszkodzić komponentów elektrycznych.
Następnie przymocuj bezpiecznik, używając odpowiednich śrub, aby zapewnić stabilne połączenie. Upewnij się, że wszystkie przewody są dobrze podłączone i nie ma luzów. Po zakończeniu instalacji, zamknij skrzynkę bezpieczników. Pamiętaj, aby zachować ostrożność i nie dotykać żadnych elementów wewnątrz skrzynki, gdy zasilanie jest włączone.
Instalacja bezpieczników w skrzynce elektrycznej
Podczas instalacji bezpieczników, ważne jest, aby postępować zgodnie z instrukcjami producenta. Wybierz odpowiedni typ bezpiecznika, który odpowiada wymaganiom obwodu. Umieść bezpiecznik w odpowiednim gnieździe, zwracając uwagę na orientację i dopasowanie. Po umieszczeniu bezpiecznika, przymocuj go do skrzynki, używając śrub lub klipsów, które zapewnią stabilność. Upewnij się, że wszystkie połączenia są mocne, a przewody są dobrze zabezpieczone.
Testowanie poprawności podłączenia bezpieczników
Po zakończeniu instalacji bezpieczników, ważne jest, aby przeprowadzić testy, aby upewnić się, że wszystko działa poprawnie. Najpierw włącz zasilanie i sprawdź, czy bezpiecznik działa. Możesz to zrobić, używając miernika napięcia, aby upewnić się, że prąd płynie przez obwód. Jeśli bezpiecznik nie działa, sprawdź, czy jest prawidłowo zainstalowany i czy wszystkie połączenia są mocne. Testowanie poprawności podłączenia jest kluczowe dla zapewnienia bezpieczeństwa i funkcjonalności całej instalacji elektrycznej.
Czytaj więcej: Bezpiecznik C20 jakie obciążenie: maksymalna moc, której nie przekroczysz

Bezpieczeństwo podczas podłączania bezpieczników - kluczowe zasady
Podczas pracy z bezpiecznikami w skrzynce elektrycznej niezwykle ważne jest przestrzeganie zasad bezpieczeństwa, aby uniknąć wypadków. Przede wszystkim, zawsze upewnij się, że zasilanie jest wyłączone przed rozpoczęciem jakiejkolwiek pracy. Używaj odpowiednich narzędzi i sprzętu ochronnego, takiego jak rękawice izolacyjne oraz okulary ochronne. Dobrą praktyką jest również informowanie innych domowników o tym, że prowadzisz prace elektryczne, aby uniknąć przypadkowego włączenia zasilania.
Ważne jest również, aby nie przeciążać obwodów i stosować odpowiednie bezpieczniki zgodnie z ich przeznaczeniem. Regularne sprawdzanie stanu technicznego instalacji elektrycznej oraz bezpieczników pomoże uniknąć niebezpiecznych sytuacji. Pamiętaj, że bezpieczeństwo powinno być zawsze na pierwszym miejscu, a w razie wątpliwości warto skonsultować się z profesjonalnym elektrykiem.
- Upewnij się, że zasilanie jest wyłączone przed rozpoczęciem prac.
- Używaj narzędzi i sprzętu ochronnego, np. rękawic izolacyjnych.
- Nie przeciążaj obwodów i stosuj odpowiednie bezpieczniki.
- Regularnie sprawdzaj stan techniczny instalacji elektrycznej.
- Informuj innych domowników o prowadzonych pracach elektrycznych.
Najczęstsze błędy przy podłączaniu bezpieczników i ich unikanie
Podczas podłączania bezpieczników, wiele osób popełnia typowe błędy, które mogą prowadzić do niebezpiecznych sytuacji. Jednym z najczęstszych błędów jest niewłaściwe podłączenie przewodów, co może skutkować zwarciem. Inny powszechny błąd to użycie niewłaściwego typu bezpiecznika, co prowadzi do przeciążenia obwodu. Ważne jest również, aby nie lekceważyć sprawdzenia, czy zasilanie jest wyłączone przed rozpoczęciem pracy. Unikając tych błędów, można znacznie zwiększyć bezpieczeństwo podczas pracy z instalacją elektryczną.
Jak zapewnić bezpieczeństwo podczas pracy z instalacją elektryczną
Aby zapewnić bezpieczeństwo podczas pracy z instalacją elektryczną, warto stosować kilka kluczowych zasad. Po pierwsze, zawsze używaj odpowiednich narzędzi i sprzętu ochronnego, aby zminimalizować ryzyko obrażeń. Po drugie, korzystaj z instrukcji producenta i schematów elektrycznych, aby prawidłowo zrozumieć, jak działa instalacja. Po trzecie, regularnie przeprowadzaj przeglądy instalacji elektrycznej, aby wykryć ewentualne problemy. Wreszcie, jeżeli nie jesteś pewny swoich umiejętności, zawsze warto skonsultować się z wykwalifikowanym elektrykiem, który pomoże w bezpiecznym wykonaniu prac.
Inwestycja w inteligentne systemy zarządzania energią
W miarę jak technologia się rozwija, inteligentne systemy zarządzania energią stają się coraz bardziej popularne w domach i przedsiębiorstwach. Te zaawansowane rozwiązania nie tylko monitorują zużycie energii, ale również automatyzują procesy związane z zarządzaniem obwodami elektrycznymi. Dzięki integracji z systemami zabezpieczeń, inteligentne urządzenia mogą automatycznie wyłączać obwody w przypadku wykrycia nieprawidłowości, co znacząco zwiększa bezpieczeństwo.
Dodatkowo, inwestycja w takie systemy pozwala na efektywniejsze wykorzystanie energii, co przekłada się na niższe rachunki za prąd. Użytkownicy mogą zdalnie monitorować i kontrolować swoje instalacje elektryczne, co ułatwia zarządzanie energią w codziennym życiu. Warto rozważyć takie rozwiązania, aby nie tylko poprawić bezpieczeństwo, ale także zwiększyć efektywność energetyczną swojego domu lub firmy.




